Feidhm Chórais TF Leighis Acrel in Ospidéil Mhalaeisia
Baile / Tionscadail / Ospidéal / Feidhm Chórais TF Leighis Acrel in Ospidéil Mhalaeisia

Feidhm Chórais TF Leighis Acrel in Ospidéil Mhalaeisia

Agus úsáid mhéadaithe trealaimh leighis leictreonaigh in ospidéil, cuireann an baol srutha sceite bagairtí suntasacha ar shábháilteacht othar, go háirithe i dtimpeallachtaí cúraim chriticiúil. Le linn nósanna imeachta máinliachta nó ainéistéise, tá othair ceangailte go díreach le leictreoidí agus braiteoirí éagsúla. Is féidir le fiú sruthanna sceite íosta turraing leictreach a chur faoi deara nuair a bhíonn feistí leighis i dteagmháil dhíreach leis an gcorp an duine.

Ina theannta sin, caithfidh trealamh tacaíochta beatha d'othair atá go dona tinn oibriú gan bhriseadh a choinneáil. D'fhéadfadh aon bhriseadh cumhachta beatha othair a chur i mbaol láithreach. Dá bhrí sin, ní mór do chórais leictreacha ospidéil cloí go docht leis na caighdeáin náisiúnta trí chórais soláthair cumhachta TF a chur i bhfeidhm i gceantair ainmnithe.

Léiríonn an cás-staidéar seo cur i bhfeidhm chóras soláthair cumhachta aonraithe leighis Acrel sa Mhalaeisia, ina bhfuil:

Dáileadh cumhachta TF leighis

Feistí monatóireachta inslithe

Córais suímh locht

Déan Teagmháil Linn
  • Forbhreathnú ar an Tionscadal
  • Forbhreathnú ar an Tionscadal
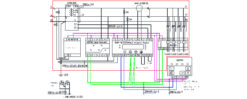
    Tá an Mhalaeisia I.E.D lonnaithe i SELANGOR DARUL EHSAN, úsáidtear an tionscadal go príomha in ospidéal oileán sa Mhalaeisia, úsáidtear na táirgí le haghaidh 12 suíomh locht inslithe ciorcaid le haghaidh 3 shraith córas cumhachta scoite ospidéil, is iad na táirgí gaolmhara gléas monatóireachta inslithe AIM-M200, gineadóir tástála comhartha ASG150, táscaire aláraim láraithe AID150, aimsitheoir locht inslithe AIL-150 agus claochladán reatha AIL150 AKH-0.66P26.


    Réamhrá Córas TF Leighis
    Tá gléas monatóireachta inslithe córas TF leighis ACREL agus córas suímh locht oiriúnach do sheomra oibriúcháin ospidéil, ICU (CCU) agus áiteanna tábhachtacha eile, agus féadann siad áit shábháilte a sholáthar do réitigh chumhachta leanúnacha iontaofa den sórt sin.


    Réiteach Soláthair Cumhachta le haghaidh Suímh Leighis
    ICU, Réitigh Dáileacháin bharda CCU (léaráid córas comh-aireachta leictreach leithlisithe GGF-I8G, mar shampla)


    Rogha I gan feidhm suímh locht


    Rogha II le feidhm suíomh locht

    TABHAIR FAOI DEARA: I réitigh dáilte cumhachta aonad dianchúraim, ba chóir aláraim láraithe sraith SEIF agus gléas taispeána a shuiteáil i stáisiún na n-altraí, déanann foireann stáisiún na n-altraí ospidéil monatóireacht ar stádas oibriúcháin gach córas cumhachta scoite.


    Réitigh Dáilte Seomra Oibriúcháin (léaráid córas comh-aireachta leictreach leithlisithe GGF-O8G, mar shampla)

    Rogha I gan feidhm suíomh locht inslithe


    Rogha II le feidhm suíomh locht inslithe

    1. I réitigh dáileadh cumhachta an tseomra oibriúcháin, ba cheart sraith SEIF de fheistí aláraim agus taispeána seachtracha a shuiteáil ar an bpainéal faisnéise taobh istigh den seomra oibriúcháin, nó in aice leis an bpainéal faisnéise (suiteáil balla). Le linn máinliachta, déanann an fhoireann leighis monatóireacht ar shláinte an chórais chumhachta iargúlta.

    2. Sa scéim le feidhm suíomh locht inslithe, má tá líon na gcainéal suite níos mó ná ocht, is féidir dhá shraith de aimsitheoirí AIL150 a úsáid. Is féidir AIL150-8 agus AIL150-4 (suas le 12 chainéal), nó AIL150 -8 agus AIL150-8 (suas le 16 chainéal) a bheith sa chomhcheangal.

    3. Léaráid sreangú tipiciúil






    4. TF Leighis 7-Píosa a thabhairt isteach

    Ainm agus cineál an táirge Pictiúr táirge Cur síos
    Claochladán aonrú leighis sraith AITR Úsáidtear claochladán leithlisithe sraith AITR go speisialta i gcórais TF leighis. Déileáiltear leis na foirceannadh le insliú dúbailte agus tá ciseal sciath leictreastatach acu, rud a laghdaíonn trasnaíocht leictreamaighnéadach idir na foirceannadh. Tá braiteoir teocht PT100 suiteáilte sa mhála sreang chun monatóireacht a dhéanamh ar theocht an claochladáin. Déileáiltear leis an gcomhlacht ar fad le péint ionraidh i bhfolús, rud a mhéadaíonn neart meicniúil agus friotaíocht creimeadh. Tá feidhmíocht ardú teochta maith ag an táirge agus torann an-íseal.
    Ionstraim monatóireachta inslithe chliste leighis AIM-M200 Glacann ionstraim monatóireachta inslithe leighis itelligent AIM-M200 teicneolaíocht microcontroller chun cinn, a bhfuil comhtháthú ard, méid dlúth, suiteáil áisiúil agus a chomhtháthaíonn intleacht, digitiú agus líonrú i gceann amháin. Is é an rogha iontach é le haghaidh monatóireachta inslithe ar chórais chumhachta scoite i suíomhanna leighis Aicme 2 mar aonaid seomra oibriúcháin agus dianchúraim.
    Trasfhoirmeoir reatha AKH-0.66P26 Is é an claochladán reatha cineál AKH-O 66P26 an claochladán sruth cosanta a thacaíonn leis an monatóir inslithe AIM-M200, arb é 60A an t-uassruth intomhaiste de agus is é 2000:1 an cóimheas claochlaithe. Socraítear an claochladán reatha go díreach taobh istigh den chomh-aireachta trí scriú a dhéanamh, agus tá an taobh tánaisteach faoi stiúir an chríochfoirt, atá áisiúil a shuiteáil agus a úsáid.
    AIL150-4/AIL150-8 aimsitheoir locht inslithe AIL150-4/AIL150-8 aimsitheoir locht inslithe adopts high sensitivity transformer combined with a high precision signal detecting circuit, which detects the signal imported into the system from the ASG150 test signal generator and accurately locates the circuits which have insulation faults. AIL150-4 insulation fault locator can locate the insulation faults of 4 circuits, and the AIL150-8 insulation fault locator can locate the insulation faults of 8 circuits.
    Gineadóir comhartha tástála ASG150 Glacann gineadóir comhartha tástála ASG150 sliseanna microprocessor 32-giotán agus ciorcad giniúna comhartha ard-chruinneas chun giniúint an chomhartha tástála sonrach a bhaint amach. Nuair a bhíonn lochtanna inslithe ag an gcóras TF monatóireachta, féadfaidh sé comhartha tástála a thosú agus a tháirgeadh in am, ag obair leis an locato locht inslithe chun suíomh locht inslithe a bhaint amach.
    Modúl cumhachta HDR-60-24 Is féidir le soláthar cumhachta srutha dhírigh HDR-60-24 soláthar cumhachta 24V DC a sholáthar ag an am céanna le haghaidh AIM-M200
    ionstraim monatóireachta inslithe leighis Chliste, gineadóir comhartha tástála ASG150, aimsitheoir locht inslithe sraith AIL150 agus ionstraim aláraim agus taispeáint láraithe AID150 Tá an soláthar cumhachta ard-acmhainne, aschuir voltas cobhsaí, agus suiteáil áisiúil, is féidir leis na ceanglais maidir le soláthar cumhachta na méadar thuasluaite a chomhlíonadh agus is é an táirge soláthair cumhachta molta é.
    AID1 50 ionstraim lárnaithe aláraim agus taispeána Glacann ionstraim lárnaithe aláraim agus taispeána AID150 an taispeáint criostail leachtach LCD agus baintear amach malartú sonraí le hionstraim monatóireachta inslithe cliste leighis AIM-M200 trí chomhéadan cumarsáide RS485, ar féidir leo monatóireacht a dhéanamh ar shonraí ilchainéil ionstraim monatóireachta inslithe Chliste leighis AIM-M200 i bhfíor-am.

    Grianghraif ar an Suíomh



Acrel Co., Teo.